

MWD2/0.12L煤礦用液壓挖掘機
使用說明書
GB/T 9139—2008《液壓挖掘機技術條件》
Q/STZG 02—2015《煤礦用液壓挖掘機》
山東省
山東韋辰重工有限公司
二〇一五年三月
前 言
本設備是韋辰重工機械有限公司在吸收國內外同類產品優點的基礎上,并結合煤礦及其他礦井的特殊工況及要求自主研究、開發、制造的井下裝巖及清底設備。
該設備適用于煤礦、金屬礦、非金屬礦的豎井、斜井及平巷掘進中的裝巖、清底以及凍土層的挖掘作業,另外該設備還可選裝液壓破碎錘,銑挖機,進行井下撬毛及其他巖石破碎作業。
韋辰重工機械有限公司會不斷對該設備進行改進,更新資料和技術規范后, 恕不再另行通知。對于以前銷售的設備或零件,不承擔改進義務。
對于本設備在使用過程中的不足及需要改進之處,歡迎各使用單位及個人提出寶貴意見和建議。
安全警示
表示如果忽略這些說明,由于不正確的設備操作,可能會造成人員死亡或嚴重的設備損壞。
表示如果忽略這些說明,由于不正確的設備操作,可能會造成人身傷害或設備損壞。
表示如果忽略這些說明,由于不正確的設備操作,可能會造成輕微的人身傷害或設備損壞。
只有合格人員才能允許安裝和操作這一設備。在本手冊中,合格人員是根據已有的安全條例和標準被授權進行安裝、調試、使用和維護的人員。
目 錄
更優章 概述 5
第二章 結構特征及工作原理 8
第三章 煤礦用液壓挖掘機操作說明 14
第四章 煤礦用液壓挖掘機的安裝與調試 22
第五章 煤礦用液壓挖掘機的維護潤滑與保養 26
第六章 常見故障、原因及處理措施 32
第七章 附件明細 34
MWD 系列煤礦用液壓挖掘機是韋辰重工機械有限公司在吸收國內外同類產品優點的基礎上,自主研究、開發、制造的井下裝巖及清底設備。
該機結構緊湊、外形尺寸小,同時由于采用電動液壓系統,因而具有節約能源、噪聲低、污染小、效率高等特點。與豎井鉆機配套使用,可實現煤礦及其它礦山豎井掘進機械化作業,從而大大提高掘進速度。同時該機也可用于平巷及斜巷裝巖及挖掘作業。
該機適用于煤礦、金屬礦、非金屬礦的豎井、平巷及坡度小于 18°斜巷掘進中的裝巖、清底以及凍土層的挖掘作業。該機具有以下特點:
1、 適用于直徑 6 米以上豎井,以及斷面為 4.0×4.5 米以上且坡度小于
18°的巷道。
2、 巖石的普氏硬度 f 小于等于 12,塊度小于等于 500mm,松散密度不大于 1.8t/m3。
3、 海拔高度≤1000m。海拔 1000m 以上高原環境需進行特殊設計;
4、 巷道環境為-5℃~+40℃,更大相對濕度≤90%(溫度為 25℃時);
5、 電壓極限偏差為±5%,交流頻率極限偏差為±1%;
6、 挖掘機工作時周圍的煤塵、甲烷爆炸性氣體含量應符合《煤礦安全規程》規定的安全含量。

MWD 系列煤礦用液壓挖掘機由 1 工作裝置總成、2 推土鏟、3 回轉平臺、4 液壓系統、5 底盤總成、6 機罩、7 頂棚、8 電氣系統等組成。結構見圖 1-1
圖 1-1
1- 工作裝置 2-推土鏟 3-回轉平臺 4-液壓系統
5- 底盤總成 6-機罩 7-頂棚 8-電氣系統
更優節 MWD 系列煤礦用液壓挖掘機參數主要技術參數見表 1-1
|
型 號 檢測項目 |
MWD2/0.12L |
|
|
基 本 參數 |
標準斗容量,m3 |
0.12±0.05 |
|
工作質量,t |
2±0.2 |
|
|
主電機額定功率,kW |
18.5 |
|
|
液壓系統 參數 |
額定工作壓力/允許更大壓力(工作裝置), MPa |
10/16 |
|
額定工作壓力/允許更大壓力(回轉),MPa |
8/12 |
|
|
額定工作壓力/允許更大壓力(行走),MPa |
8/12 |
|
|
作業范圍 參數 |
更大挖掘半徑,mm |
≥3700 |
|
更大挖掘深度,mm |
≥2100 |
|
|
更大垂直挖掘深度,mm |
≥900 |
|
|
更大挖掘高度,mm |
≥3300 |
|
|
更大卸料高度,mm |
≥2300 |
|
|
整機性能 參數 |
更大挖掘力(鏟斗),kN |
≥13 |
|
爬坡能力,° |
-20~+20 |
|
|
離地間隙 |
≥200 |
|
|
接地比壓, MPa |
≤0.08 |
|
|
履帶最小轉彎半徑,m |
≤1.7 |
|
|
外形尺 寸(運輸狀態) |
長度,mm |
3550±50 |
|
寬度,mm |
1200±50 |
|
|
高度,mm |
2200±50 |
|
MWD 系列煤礦用液壓挖掘機其突出的結構特點是:
1、外形尺寸小,結構緊湊,效率高。
2、底盤為焊接結構、整體性好,剛性和強度大。
3、行走驅動裝置有兩條履帶,用于履帶鏈輪驅動的行走減速機是帶內置液壓馬達極緊湊的傳動部件,每條履帶單獨用液壓馬達作動力,通過減速機驅動使車輛行駛。行走減速機采用國際知名品牌,確保整機的優越性能,更高行走速度為 2.4 公里/小時,
4、采用電動液壓系統,具有噪聲低、無尾氣污染的特點,同時電氣系統用防爆元件,更適用于井下(尤其是煤礦)使用。
回轉平臺主體為焊接的剛性結構,其底部通過回轉支撐與底盤相連。中部連接座裝有工作裝置,中部還裝有回轉減速機,其與回轉支撐組成上車回轉機構。右部裝有液壓油箱、主閥。左部為駕駛室,安裝有座椅及頂棚,各先導閥均安裝于此。后部為油泵—電機組件(包括電機、主泵、附泵以及變速箱),座椅下裝有油冷卻器組件。具體布置見圖 2-1

4-座椅 5-回轉減速機 6-主閥
7-油泵—電機組件 8-油冷卻器組件
本機采用履帶式行走底盤,由底架、行走驅動裝置及履帶漲緊裝置組成。該機構能承受較大的機重,爬坡能力強,接地比壓小,行走平穩,能適應陡坡行駛和急轉彎。行走裝置有兩條履帶,分別由兩套驅動裝置單獨驅動,實現整機的前進、后退與轉彎,同時也可使整機作原地旋轉運動。
行走驅動裝置有兩條履帶,每條單獨用液壓馬達作動力,通過減速機驅動使車輛行駛。履帶板采用三齒式,其剛性韌性好。支重輪采用先進的浮動密封,運行平穩可靠、保養省時省力。履帶漲緊裝置由引導輪、漲緊彈簧及漲緊油缸組成。漲緊裝置主要用于保持履帶有一定的漲緊度及在工作和行駛過程起緩沖作用。采用黃油調整履帶松緊極為方便可靠。引導輪起轉向、支承、履帶漲緊三大作用。行走減速機采用國際流行的內藏式行走減速機(二級行星減速),減速機是帶內置式液壓馬達極緊湊的傳動部件。該減速機為原裝進口件。其主要特點是結構緊湊,占有空間小、重量輕、傳動比大、安裝簡單、換油方便、啟動效率高、運轉噪聲低。
履帶漲緊裝置由引導輪、漲緊彈簧及漲緊油缸等組成。履帶漲緊裝置主要用于保持履帶有一定的漲緊度及在工作和行駛時起緩沖作用,調整漲緊度時使用高壓黃油槍將黃油注入漲緊油缸,或擰下油缸單向閥前的油嘴排泄黃油來實現。由于漲緊油缸在漲緊彈簧作用下處于受壓狀態,頂開單向閥能開始排泄黃油即可。
合理的漲緊度在驅動輪與引導輪之間測量,合理的下撓度不大于 15~20mm, 左右履帶的調整應保持一致。初步調整好后,應前后行駛幾次然后再檢查漲緊度。其結構見圖 2-2:

圖 2-2
1-引導輪 2-支重輪 3-履帶漲緊裝置 4-履帶
5-托鏈架 6-底架 7-驅動輪 8-行走減速機
第三節 工作裝置
工作裝置是本機三大組成部分之一,它的主要功能是完成挖掘、提升、卸載和收斗等動作。
其主要由 1 挖斗、2 連桿機構、3 挖斗缸、4 斗桿、5 斗桿缸、6 銷軸、7 大臂、8 大臂缸、組成,其結構見圖 2-3

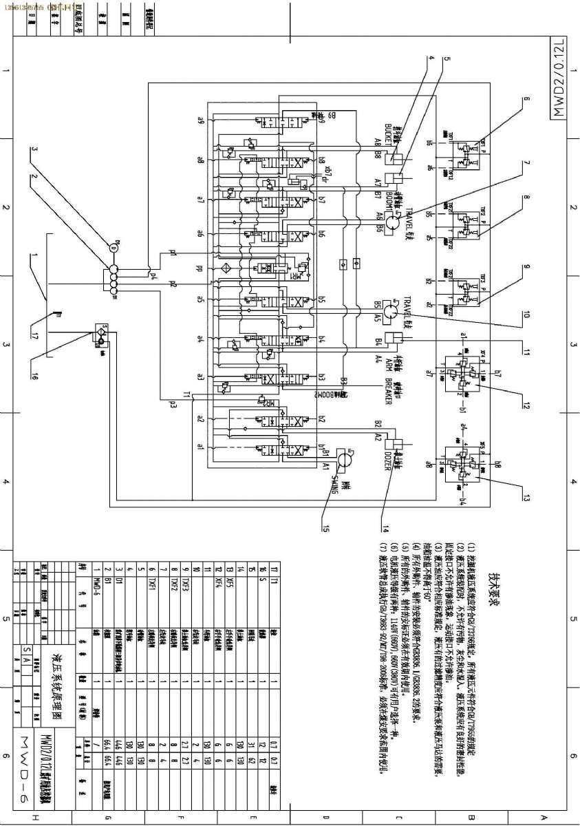
液壓系統由主油泵、輔油泵、液壓馬達、液壓油缸、主閥、先導閥、濾油器、散熱器、油箱及各種附件組成。
由主泵(相當于四聯泵)和主閥分別組成兩組共 8 種液壓回路,分別為鏟斗油缸、大臂油缸、左行走馬達、右行走馬達、斗桿油缸、液壓錘(備用)推土鏟油缸以及上車回轉馬達。
以上 8 種回路均為液控回路。鏟斗油缸和大臂油缸共用一個手動十字先導閥控制操作,斗桿油缸和上車回轉馬達共用另一個手動十字先導閥控制操作,左行走馬達、右行走馬達共用一個腳踏行走先導閥控制操作,推土鏟油缸用一個手動先導閥控制操作,液壓錘用一個腳踏行走先導閥控制操作。以上先導閥均由一個先導開關閥控制其先導油路的接通與斷開。
行走馬達采用停車制動工作機制,即當行走腳踏閥返回中間狀態時,馬達入口高壓油被切斷,平衡閥在彈簧力的作用下回到中位,切斷解除制動油路,從而使制動柱塞壓下制動片和摩擦片制動行走馬達。
回轉馬達也采用停車制動工作機制,但采用先導壓力控制,操作先導操縱閥回到中位時,回轉制動閥一側失去先導壓力,閥芯受彈簧力的作用移動,腔體內的液壓油從回油口排出泄壓,制動活塞受彈簧力的作用向下移動壓緊摩擦片實現停車制動。
一聯輔助齒輪泵直接控制風冷散熱器的工作。
本系統可在主泵測壓接口處測量各回路壓力。本系統推薦使用的液壓油,為L-HV46 抗磨液壓油,在工作環境溫度低于-15℃時使用 L-HS46 低凝抗磨液壓油。MWD6/0.3L 液壓系統原理圖如圖 2-4 所示,MWD2/0.12L 液壓系統原理圖如圖 2-5 所示。

MWD2/0.12L 液壓系統原理圖如圖 2-5
挖掘機用 18.5 千瓦的防爆電機通過連接盤及聯軸器帶動主泵和輔泵,把電能轉化為液壓能,給全車的液壓系統供壓力油,使油缸和馬達工作。
電機油泵組件如圖 2-6 所示。

圖 2-6
1-電機 2-連接盤 3-聯軸器 4-主泵 5-輔泵第六節 電氣系統
MWD 系列煤礦用液壓挖掘機所配用的起動器為 QJZ 系列礦用隔爆型真空電磁起動器(以下簡稱起動器),適用于含有爆炸性氣體(甲烷)的煤礦井下,作為控制主油泵電機之用。同時對電動機及其有關電路進行保護。
一、起動器為礦用隔爆型,其在電路中的工作原理如下:
當主回路對地絕緣電阻低于規定值時,保護器實行漏電閉鎖,起動器無法啟動。電器原理圖見圖 2-7。
二、安裝、使用注意事項
4.各隔爆面在使用、檢修過程中應保持其原有粗糙度,不得磕、劃傷、腐蝕。
5 搬運過程中,應避免強烈震動,嚴禁翻滾。在維護維修中,嚴禁帶電開蓋! 嚴禁碰傷、劃傷隔爆面!
第三章MWD 系列煤礦用液壓挖掘機操作說明
一、基本預防措施
二、啟動前的安全措施
三、操作中的安全措施
2、調整履帶漲緊機構時,油缸內的高壓可能造成傷害。操作時應慢慢擰松黃油嘴,釋放內壓。
3、維修時,必須先切斷電源,才能進行維修工作,否則將造成人身傷害。
4、回轉區域內不得有人或其它障礙物,否則可能引起嚴重的人員傷害或者機器損害;
5、操作時,小心挖斗碰到駕駛室或推土鏟,否則可能引起嚴重的人員傷害或者機器損害;
6、禁止借用機器的旋轉力進行作業(如借用挖斗側向清理幫壁),否則可能引 起嚴重的人員傷害或者機器損害;
7、禁止在斜面或斜坡上進行操作作業(如有必要,則必須建立一個水平區域進行操作),否則可能引起嚴重的人員傷害或者機器損害;
1、意外碰到操縱手柄或踏板,機器會意外移動,可能造成嚴重傷亡事 故,上下車前確認先導開關按鈕是否關閉;
2、更換損壞的零件時,
a、電氣、電纜等安標件不能隨意更換,需更換有安標證書的產品。b、傳動皮帶不能隨意更換,需更換有安標證書的產品。
c、液壓膠管也不能隨意更換,需更換有安標證書的產品。
3、液壓系統漏油時不得作業,并及時將泄漏油清除、掩埋后再作業。
1、維修起動器及綜合保護裝置時,保護好隔爆面,不得有影響防爆性能的劃痕、碰傷,如有銹蝕,應清洗干凈并涂 204-1 防銹油。
2、電動機工作時,突然停機,而工作照明燈正常照明,說明電機過載,自動停機,熱繼電器起到了保護作用,必須停機 5 分鐘后才可啟動電機。若再次自動停機則應檢查其故障原因。
3、上車的左右旋轉角度不能大于 180°,否則會絞壞電纜。
4、機器行走時,保持挖斗高于地面 30-40 厘米,以防止整車傾翻。
5、機器行走時,周圍嚴禁站人。
6、操作前電動機啟動時,先點動數次,觀察電動機的旋轉方向是否按箭頭指示方向(或面向電動機后端蓋排風扇順時針旋轉),如旋向相反,倒轉后再次啟動前應檢查齒輪箱油位,不足時加油。
五、禁止操作
以下濫用與誤用機器的操作,必須予以避免。濫用與誤用機器操作,會對機器造成嚴重損壞,嚴重的會導致人員傷亡。
1、不要使用機器的牽引力來挖掘,這樣會給機器結構、前端的工作裝置施加過度的壓力,造成嚴重的機器損傷;
2、不要借用機器的旋轉力進行作業,這樣會給機器結構、前端的工作裝置施加過度的壓力,會造成工作裝置及旋轉裝置的嚴重損壞,同時也會造成嚴重的人身傷亡;
3、不要用鏟斗進行捶擊和敲打操作,此類操作會損壞機器和部件,也會導致人員傷亡;
4、電機禁止反轉,否則會損壞油泵和齒輪箱;
5、除規定的功能外,不能濫用作其他用用途;
6、不得多次往復甩動鏟斗和臂油缸,此類操作會損壞油缸;
7、不要過度發揮機器的性能,絕對不要通過傾倒或提升機器來得到動力,這樣做會給機器和部件,帶來很大損傷,也可能導致人員傷亡;
8、作業時注意推土板,不要碰到巖石等障礙物;行駛或運輸時,注意防止鏟斗碰到推土板;
9、井下噴漿時機器要退出噴漿區域或嚴密遮蓋,不得讓水泥漿噴濺到設備上, 否則會使機器各運動部位不能正常工作;
10、禁止拆下行走護鏈板,否則會造成履帶脫落。
駕駛室內各操作手柄及踏板布置如圖 3-1,

圖 3-1
1-右操縱桿 2-液壓錘踏板 3-行走踏板
4-左操縱桿 5-先導開關閥 6-推土鏟手柄
7-起動器遠控按鈕 8-電鈴按鈕
現將各操作手柄、踏板及按鈕的功能及操作方向分別說明如下(方向基準為機器行走馬達位于后部,操作者面向機器前進方向):
2、左操縱桿:操縱桿向前推,斗桿油缸收縮,斗桿張開; 操縱桿向后拉,斗桿油缸伸出,斗桿收回; 操縱桿向左拉,上車向左(逆時針)回轉; 操縱桿向右拉,上車向右(順時針)回轉;
3、右操縱桿:操縱桿向前推,大臂油缸收縮,大臂下降; 操縱桿向后拉,大臂油缸伸出,大臂上升;
操縱桿向左拉,挖斗收回; 操縱桿向右拉,挖斗張開;
4、行走操縱桿:兩個操縱桿同時向前推時,機器向前行走; 兩個操縱桿同時向后拉時,鉆車向后行走;
僅推右邊操縱桿時,機器向左轉; 僅推左邊操縱桿時,機器向右轉;
在向后拉一個操縱桿的同時向前推另一個操縱桿,則機器原地旋轉。
5、推土鏟操作手柄(MW20 無此手柄):
手柄向前推,推土油缸伸出,推土鏟下降; 手柄向后拉,推土油缸收縮,推土鏟抬起;
6、先導開關按鈕:提起按鈕,先導油路導通,各先導手柄起作用; 按下按鈕,先導油路斷開,各先導手柄不起作用;
7、起動器遠控按鈕:該按鈕位于司機坐椅左后側,綠色為啟動,紅色為停止。
8、電鈴按鈕:位于司機坐椅右側,顏色為紅色。
9、起動器啟動按鈕(圖中未體現):該按鈕位于電磁起動器右側,綠色為啟動,紅色為停止。
第三節 下井前的準備1.每班下井前須檢查油箱油位,不足時加油。
事先同提升司機、井口、吊盤和工作面信號工聯系好,講明機器下落各深度應注意的事項,以便很好配合,確保安全操作。
檢查吊具及吊索,如有損壞立即修復或更換。
機器通過吊盤喇叭口時,應停下檢查是否有凸出部分碰上吊盤。
下放機器到井底約 300-500 毫米時,停止下放。應將機器調整至合適位置后,再緩慢下放到井底。
300-400mm)。
將吊桶與機器保持一合適距離,可減小機器的回轉角度以及挪車次數,大大提高裝載效率;
裝載作業時注意保護工作裝置,防止其與吊桶及井壁產生磕碰。
第四章MWD 系列煤礦用液壓挖掘機的安裝與調試
1、 各連接處螺紋緊固力矩:
回轉支撐與底盤、回轉支撐與上車:367.76 Nm
|
回轉減速機與上車: |
367.76 Nm |
|
行走減速機與車架: |
235.70 Nm |
|
行走減速機與鏈輪: |
235.70 Nm |
|
履帶板: |
148.10 Nm |
|
其他:M5 6.36 Nm; |
M6 10.81 Nm; |
|
M8 26.25 Nm; |
M10 51.99 Nm; |
|
M12 90.68 Nm; |
M14 144.23 Nm; |
|
M16 255.18 Nm。 |
|
|
4、 各軟管接頭處緊固力矩: |
|
|
9/16" 接頭螺紋 |
20Nm |
|
7/8" 接頭螺紋 |
50Nm |
|
1 1/16" 接頭螺紋 |
70Nm |
|
1 5/8" 接頭螺紋 |
90Nm |
5、 各接頭安裝前必須清洗干凈,檢查密封圈是否損壞或更換新密封圈。
1、 所有調整工作應在油溫達到 20-50℃時進行,更佳油溫為 40-50℃。
2、 在調整工作壓力時,必須要加負載,否則數據不準易發生事故。
3、 按一般常規調試某一個液壓閥,應按下列程序:
A、 在調試的壓力管路上,安裝一個 0-60Mpa 的壓力表;
B、 松開調試閥上的固定螺母和調整螺栓;
C、 將調整螺栓松開幾圈;
D、 在液壓系統中或管路中建立一個液壓負載(阻力),例如:將液壓缸達到行程終點,或將液壓馬達管路上用一個適當的螺塞堵上受壓力的軟管;
E、 緩慢擰緊閥上的調整螺栓,觀察壓力表數值,逐漸升高,達到規
定要求數值;
F、 擰緊閥上的緊固螺母。
4、 這些閥的壓力調整彼此是沒有關系的。
第五章 MWD 系列煤礦用液壓挖掘機的維護潤滑與保養
正確的維護、潤滑和保養,可使機器長久和保持良好的工作狀態,延長機件的壽命,增強機器的可靠性,減少故障和機械事故,充分發揮機器的性能,提高工作效率。因此正確的做好設備的維護保養和潤滑工作,具有非常重要的意義, 保養工作主要包括下列內容:
5、按規定周期加注或更換潤滑油。
6、按規定周期檢查油位和油面。
7、檢查或更換損壞的零件。
8、調整各運動部位和液壓系統的工作性能和要求。
9、清洗各部及清除污物。
保養工作應按下述規定進行:
一、每個電路通暢(由司機在工作開機前檢查);
二、每班接班前應檢查機器各部有無故障或損壞(由司機檢查);三、按下列規定時間內容進行保養:
每 8 小時
每 50 小時
每 100 小時
每 200 小時
每 300 小時
每 500 小時
每 1000 小時
每 2000 小時
四、每 8 小時(每天)保養內容:
五、每 50 小時保養內容
(一)調整履帶張緊力1.檢查
15~20mm;
a.調大張力
i.用黃油槍給漲緊油缸噴嘴打黃油,得到需要的張力; ii.前后移動機器,平衡履帶左右的張力;
iii.再次檢查履帶的張力,并對兩邊的履帶進行重復調整。b.放松張力
i.慢慢擰松油嘴,釋放黃油(旋轉油嘴不得超過一圈); ii.前后移動機器,平衡履帶左右的張力;
iii.再次檢查履帶的張力,并對兩邊的履帶進行重復調整。(二)潤滑各銷軸
(一)總體檢查
七、機器保養內容每 500 小時
八、機器保養內容每 1000 小時
檢查各銷軸,如磨損嚴重,應予以更換。
檢查支重輪、拖鏈輪、引導輪等的磨損情況,如有損壞,應予以更換或修復。
檢查履帶板的磨損情況,如磨損嚴重,應予以更換或修復。
一、機器的潤滑用油
潤滑用油見表 5-9,潤滑部位見圖 5-1

圖 5-1
表 5-9
|
代號 |
潤滑部位或名稱 |
使用潤滑種類 |
|
M |
各黃油嘴(包括回轉支撐、 各銷軸) |
二號二硫化鉬鋰基潤滑脂 |
|
H |
行走減速機、回轉減速機、 齒輪箱 |
90 號工業齒輪油或 15 號雙曲線油 (12 個月更換一次) |
|
F |
液壓油箱 |
L-HV46 或 L-HS46 低凝抗磨液壓油 |
二、潤滑部位和周期
每 500 工作小時后更換,但至少每年應更換一次。液壓油濾清器的濾芯應同時清
洗更換。同時還要將油箱清洗干凈。
-15℃時使用 L-HS46 低凝抗磨液壓油。液壓油的存放,應該存放在油罐或油桶內, 存放在適當的蔭蔽處,溫度基本上保持恒定。
|
維 護 內 容 |
保 養 要 求 |
|
1. 檢查油位是否正常。 2. 加油感到太沉時 3. 回油過濾器更換濾芯 4. 清洗油箱,更換新油 |
每班檢查油位,隨時加油更換回油濾芯 更優次 20 小時,正常 400 小時 更優次 100 小時,以后每 500 小時進行一次 |
常見故障、原因及處理措施見表 8-1
表 8-1
|
故 障 |
可 能 原 因 |
排 除 方 法 |
|
電動機啟動不了或運轉不正常 |
1、電源缺一相;或相序不正確; 2、電壓不足;
3、接觸器損壞或電氣線路有故障。 |
1 、檢查電源保證三相正常;和相序正常; 2、測量電壓,把電壓調整正常; 3、修理、更換接觸器、排 除線路故障。 |
|
無動作或動作緩慢無力 |
1、電動機反轉; 2、齒輪箱有故障,油泵不轉 3、油泵損壞; 4、液壓系統壓力偏低; 5、吸入空氣。
6、油面太低; 7、回油濾芯堵塞; 8、油缸內有空氣;
9、液壓油不合格或粘度太高; 10、主溢流閥卡住; 11、油缸內泄嚴重。 |
1、電動機轉向糾正; ; 2、排除齒輪箱故障; 3、修理或更換油泵; 4、把系統壓力調整正確; 5、檢查吸油管路,更換密封件,排除滲漏; 6、加油至油標上限; 7、清洗或更換回油濾芯; 8、把油缸接頭處的軟管擰松,來回運動排氣; 9、按要求更換液壓油;
10、清洗或更換主溢流閥 11、更換油缸密封。 |
|
行走、轉向無力, 或不能直線行走 |
1、主溢流閥壓力偏低;
2、行走油馬達損壞;
3、左右履帶張緊度不一致。 |
1、清洗或調整主溢流閥至正常壓力,必要時更換調不上壓力的閥; 2 、修理或更換行走油馬達; 3、調整履帶張緊度。 |
第七章 附件明細
|
序號 |
圖號 |
名稱 |
使用部位 |
數量 |
|
1 |
|
挖斗油缸密封 |
工作裝置 |
1 |
|
2 |
|
斗桿油缸密封 |
工作裝置 |
1 |
|
3 |
|
大臂油缸密封 |
工作裝置 |
1 |
|
4 |
大臂底根 |
軸 |
工作裝置 |
1 |
|
5 |
大臂油缸下 |
軸 |
工作裝置 |
1 |
|
6 |
大臂油缸上 |
軸 |
工作裝置 |
1 |
|
7 |
斗桿油缸后 |
軸 |
工作裝置 |
2 |
|
8 |
斗桿油缸前 |
軸 |
工作裝置 |
1 |
|
9 |
大小臂連接軸 |
軸 |
工作裝置 |
1 |
|
10 |
挖斗油缸后 |
軸 |
工作裝置 |
1 |
|
11 |
挖斗油缸前 |
銷軸 |
工作裝置 |
1 |
|
12 |
挖斗 |
軸 |
工作裝置 |
2 |
|
13 |
連桿下 |
板軸 |
工作裝置 |
1 |
|
14 |
|
軸套 |
工作裝置 |
2 |
|
15 |
|
軸套 |
工作裝置 |
4 |
|
16 |
|
軸套 |
中盤 |
2 |
|
17 |
|
回油濾芯 |
油箱 |
1 |
|
18 |
|
斗齒(帶銷) |
工作裝置 |
4 |
|
19 |
|
側齒 |
工作裝置 |
1 對 |
|
20 |
|
行走開關閥 |
液壓系統 |
1 |
山東韋辰重工有限公司
地 址:山東省鄆城縣鄆州街道申廠(韋辰重工事業園) 電 話:0530-6429159
傳 真:
郵 編:274703
出版日期:2015 年 3 月